• HJC黄金城(中国区)官方网站黄金城

    我们非常重视您的个人隐私,当您访问我们的网站时,请同意使用的所有cookie。有关个人数据处理的更多信息可访问《隐私政策》

    产品中心
    陶瓷电容压力传感器敏感元件

    产品中心

    压力敏感陶瓷电容

    陶瓷电容压力传感器具有抗腐蚀、抗冲击、高弹性的优异特性,可以和绝大多数介质直接接触,同时陶瓷极高的热稳定性使它的工作温度范围可以达到-40℃~150℃。陶瓷电容压力传感器工作过程中没有液体的传递,过程压力直接作用在陶瓷膜片上,基座电极与膜片电极间的电容量的变化与压力成比例关系。过载时,膜片触碰到基座上而不会损坏,当压力恢复正常时,其性能不会受到任何影响,彻底解决了低量程过载能力差的缺点,是扩散硅压力传感器的升级换代产品。

    产品特性

    •  抗腐蚀、抗冲击、高弹性、无迟滞

    •  符合AEC-Q100标准

    •  供电电压:3V-5.5V

    •  工作压力范围:0.5MPa~10MPa(可定制)

    •  可选量程1/1.5/2.5/3.5/4.5/6MPa

    •  支持-30V~36V的过压和反压保护

    •  全温区精度(经校准后):<0.5%

    •  长期稳定性:0.1%FS/Y

    •  过载能力:>3倍额定压力

    •  响应时间:<1ms

    •  集成 EEPROM,可多次编程

    •  0-5V比例或者绝对电压输出,PWM输出

    •  专有的OWI通信模式

    •  带传感器诊断功能、可编程钳位电压

    •  陶瓷电容直径20mm/16mm规格可选

    •  陶瓷电容工作温度:-40℃~150℃

    •  工作介质:空气、机油、刹车油、汽油、柴油、空调制冷剂等;

    •  陶瓷电容的具体规格可定制

    •  部分量程可选防水介质兼容版本


    应用场景

    •  汽车机油压力传感器

    •  汽车空调压力传感器

    •  汽车刹车压力传感器

    •  汽车排气压力传感器

    •  汽车ESP压力传感器

    •  中央空调压力传感器

    •  空压机、工业过程控制等


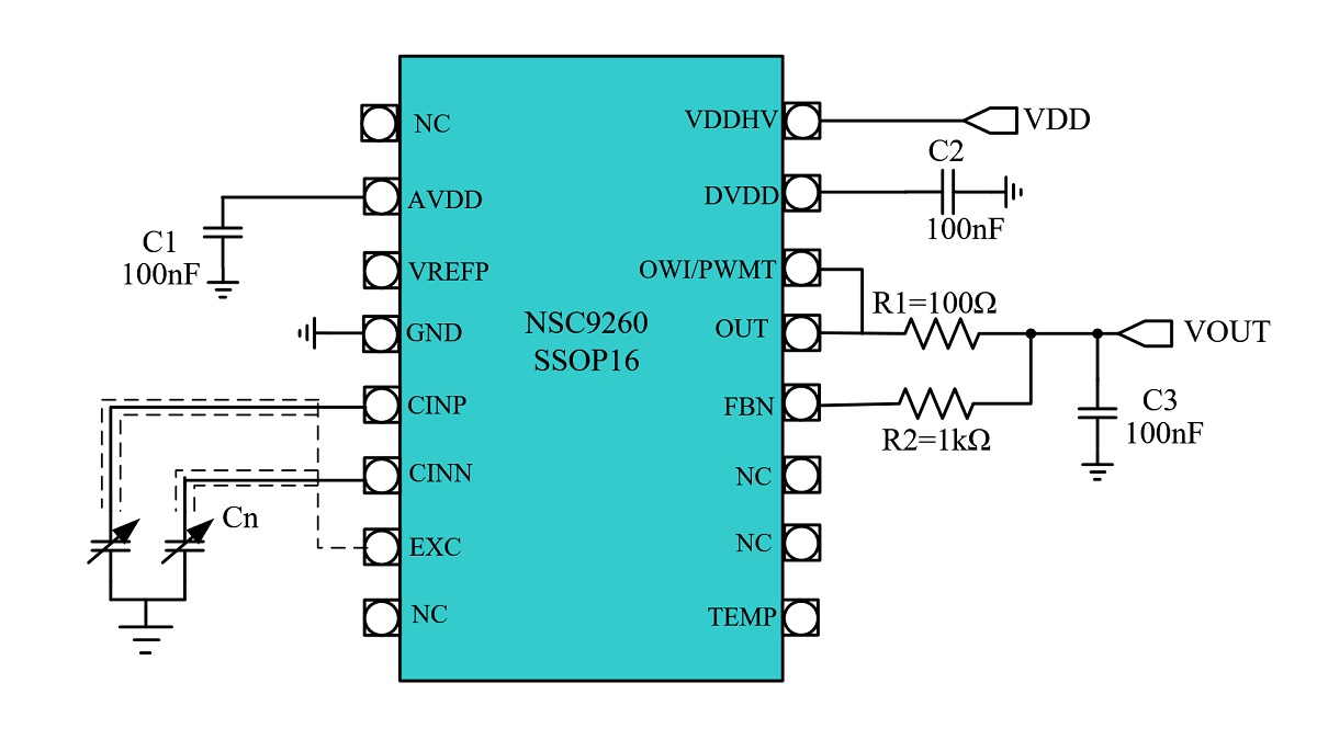
    功能框图

    1-2.jpg

    如您需要咨询产品更多信息,请点击“黄金城”,我们将尽快回复您!

    黄金城