我们非常重视您的个人隐私,当您访问我们的网站时,请同意使用的所有cookie。有关个人数据处理的更多信息可访问《隐私政策》
2018年11月16日,中国领先的信号链芯片及解决方案提供商黄金城电子股份有限公司宣布推出NSi83085及NSi83086 两款高可靠性半双工、全双工隔离RS-485收发器,其数字隔离产品线扩充至包含标准数字隔离、I²C数字隔离及隔离RS-485在内的多款产品。此外,纳芯微电子宣布通过UL1577认证的窄体封装NSi81xx系列数字隔离器产品目前已全面稳定量产。
半双工隔离RS-485芯片NSi83085及全双工隔离RS-485芯片NSi83086具有高可靠性、高隔离耐压、高共模抗扰、以及高集成度的特点,其能够承受较为复杂的EMC环境,如ESD、EFT、浪涌等;隔离耐压值可达到符合UL1577标准的5kVrms,CMTI达到150kV/us;由于集成了数字隔离和RS-485驱动两种功能设计,其可帮助客户大幅简化系统设计复杂度,并减少系统PCB的面积。

图1:纳芯微电子发布隔离RS-485芯片NSi83085及NSi83086
NSi83085的传输速率达到500kbps,其低摆率的特点能够减小EMI以及由于终端匹配不当引起的反射,NSi83086的传输速率可达16Mbps。NSi83085、NSi83086的总线接口具有±16kV的系统级接触放电ESD保护能力,同时具有失效保护电路,当接收器输入处于开路、短路或者总线空闲时,接收器的输出保持逻辑高电平。接收器的输入阻抗为1/8单位负载,允许多达256个收发器挂在总线上。输出驱动器提供了超大输出电压摆幅,从而保证了更高的噪声容限。

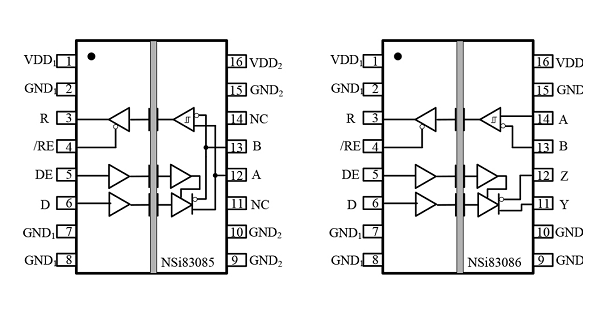
图2:NSi83085及NSi83086功能框图
NSi83085及NSi83086具有高电磁抗扰度和低辐射的特性,非常适合于需要高质量RS-485通讯的工业环境领域,如工业自动化控制、智能电表水表、安防监控、光伏逆变等。在这些领域中,选择隔离RS-485进行通讯可提高通讯质量,提升系统抗高压浪涌的能力,并能够更大程度地保障操作工人施工的安全性。
纳芯微电子于去年12月首次推出数字隔离芯片产品,目前已发布了两通道、三通道、四通道标准数字隔离芯片,I²C数字隔离芯片以及隔离RS-485等产品。标准数字隔离及I²C隔离芯片均提供符合RoHS标准的窄体和宽体两种封装形式,并提供符合AEC-Q100车规级标准的型号供客户选择,此次发布的隔离RS-485收发器NSi83085/NSi83086为SOIC-16宽体封装。
“为了达到AEC-Q100汽车级标准,我们的数字隔离芯片均经过了一系列可靠性试验,纳芯微高可靠性、高品质的数字隔离芯片能够满足车载严苛的应用环境”,纳芯微电子数字隔离产品线负责人叶健介绍说:“AEC-Q100 标准是汽车电子系统的全球通用标准,符合该规范要求意味着电子元件具有高质量与可靠性,可适合于汽车应用的复杂恶劣的环境中。而通过UL1577安规标准的认可,则意味着我们的产品已符合相关的国际安全标准,在产品的品质及可靠性上,纳芯微数字隔离芯片已与国际标准对标。”
受中美贸易摩擦影响,国内半导体行业目前均已认知到芯片进口替代的重要性以及必然趋势,而国产芯片必须满足高品质、高性能、高可靠性的要求方能替代进口芯片。纳芯微电子具备专业的混合信号链芯片研发能力,建立并完善了从芯片定义到设计及交付的完整质量管控体系,已成长为国内少数的拥有前装汽车级产品定义、开发和量产经验的芯片设计公司。在推出数字隔离芯片产品之初,纳芯微电子即制定了“高品质进口替代”的市场策略,通过提供与国外大厂相媲美的产品,辅以本土化的客户技术支持服务,来推动国产芯片在市场上的渗透率以及被认可度。
经过近一年的努力,纳芯微双通道数字隔离芯片以及I²C隔离芯片已经在国家重点行业、标杆客户上实现批量供货。纳芯微电子CEO王升杨表示:“目前国内市场对于国产芯片产品普遍持开放态度,尤其是中高端市场应用的机会窗口逐渐地向国内芯片厂商所敞开,这对于像纳芯微这样的芯片设计公司来说,既是实现成长和突破的机会,同时也是证明自身能力、产品品质的机会,我相信国产芯片在接下来的几年里将会得到越来越多的认可。”
纳芯微目前在研的数字隔离产品包括隔离CAN、隔离运放、隔离ADC、集成隔离DC/DC电源的数字隔离、隔离驱动等,预计将在明后年内陆续推出。这些产品将进一步丰富数字隔离产品线,也将会助力国产芯片在更多的领域中实现进口替代,进一步加速芯片国产化进程。