我们非常重视您的个人隐私,当您访问我们的网站时,请同意使用的所有cookie。有关个人数据处理的更多信息可访问《隐私政策》
随着汽车电子不断向智能化发展,系统对电源稳定性的需求在日益增加。一辆智能车中可能会使用到几十颗甚至上百颗LDO,以确保系统的稳定运行。在一些特定的应用场景下,设计者在考虑其本身低压差的特性外,也需要兼顾后端负载的大电流和低噪声的要求。对此,纳芯微宣布推出具有高PSRR和低噪声特性的LDO—NSR30x0x系列,专为汽车和工业应用设计,旨在提供卓越的电源管理解决方案,满足现代高性能系统对电源稳定性和低噪声的严格要求。
应用场景
· 车载信息娱乐系统
· 汽车自动驾驶
· 车身控制模块
· MCU、处理器等控制电路
· 高速接口供电应用

产品优势划重点!
高PSRR表现
当负载是摄像头模组或者运算放大器等对电源轨有严格要求时,需要LDO拥有良好的纹波抑制效果,对应的评估指标是PSRR(电源抑制比)。PSRR与工作频率、负载电流、输入输出电压、输出电容等均有关系。

PSRR实测变化曲线图
NSR30601在VIN=2.5V,VOUT=1.1V,IOUT=1A的工况下,如上图所示,在不同频率下的PSRR可以达到
· 100Hz:61.9 dB
· 1kHz:68.7 dB
· 10kHz:82.99 dB
灵活调节
作为二级稳压器件,NSR30x0x系列满足AEC-Q100标准,适用于系统3.3V或者5V的设计,外部可调的输出特性和1A电流输出能力使其可以做到同一颗物料满足系统繁多的负载需求。
· 输入电压范围:2.5V到5.5V
· 输出电压范围:0.8V到5V
· 最大输出电流:1A
高效稳压
· 超低关断功耗ISD:80nA(typ)关断电流
· 超低压差:180mV 低压差@1A 电流,并可提供快速的瞬态响应及负载调整性能
· 低噪声: 7.6µVRMS 典型值(10Hz 至 100kHz,CNR=470nF)
· 具有可监控反馈引脚电压的电源正常 (PG)输出,可以指示输出电压的状态, EN输入和PG 输出可以用于系统多电源时序管理
全面保护
· 带内部折返电流限制功能,有助于在短路事件中减少热耗散
· 可选噪声抑制引脚,增强噪声抑制
· 集成内部短路保护,热关断和欠压锁定 (UVLO) 功能

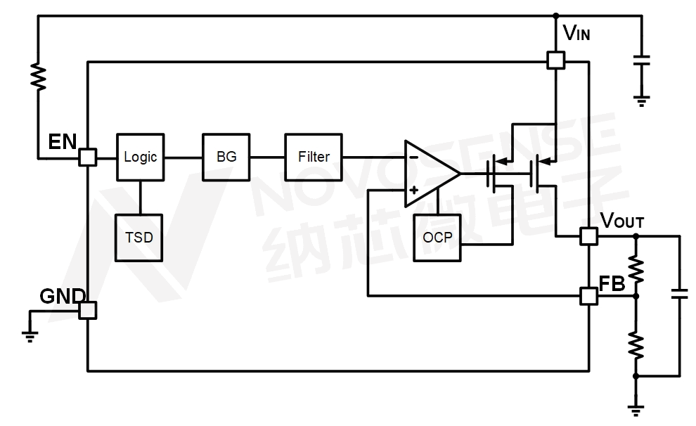
典型应用框图

NSR30xx系列功能框图
封装与选型
NSR30x0x系列给硬件设计者提供了充足的解决方案,其输出电压可调,采用具有可润湿性侧翼的小型DFN-6脚(2mm×2mm)封装和DFN-8脚(3mm×3mm)封装,便于进行光学检测,可以很好地支持小尺寸系统解决方案,满足不同设计需求。

未来,纳芯微将继续致力于技术创新,推出更多高性能、高可靠性的电源管理解决方案。车载LDO的一站式解决方案在路上,敬请期待!