我们非常重视您的个人隐私,当您访问我们的网站时,请同意使用的所有cookie。有关个人数据处理的更多信息可访问《隐私政策》
纳芯微今日宣布推出集成晶振与多种保护、支持软启动的全桥变压器驱动NSIP3266,可广泛应用于汽车车载充电机(OBC)、牵引逆变器及充电桩、光伏发电和储能、服务器电源等系统中的隔离驱动供电电路。NSIP3266支持宽范围输入的全桥拓扑,同时凭借巧妙的引脚和功能设计,极大简化了隔离驱动供电电路设计,为系统制造商优化系统电路,缩短产品上市时间提供便利。
当前高压系统中的隔离驱动供电有集中式、全分布式、半分布式三种架构形式。集中式架构只有一级电源,辅助电源输入电压为宽输入范围,需要闭环工作;同时变压器设计复杂,尤其是采用单个低成本隔离电源时,有多路输出负载调整率和长走线的问题,加大了系统设计和调试难度。

一种典型的采用单个隔离电源的集中式架构
全分布式架构采用独立的隔离电源模块为隔离驱动供电的方式,优势是可以做到对隔离驱动1对1的供电和针对性保护,但是需配置对应数量的隔离电源模块,系统成本较高。

一种典型的采用多个隔离电源模块的全分布式架构
半分布式架构采用均衡的策略,通过两级辅助电源架构,第一级使用宽输入电压范围的器件生成稳压轨,第二级可以简洁的开环形式,使用其他器件为隔离驱动提供隔离电源供电。半分布式架构因在设计相对简洁的基础上,兼顾了系统成本、性能和保护需求,因此正受到越来越多工程师的青睐。

一种典型的采用两级辅助电源的半分布式架构
全桥拓扑精简电路设计
纳芯微全桥变压器驱动NSIP3266专为隔离驱动供电的半分布式架构而设计,半分布式架构的常见拓扑选择包括推挽,LLC和全桥等。NSIP3266采用全桥拓扑,相较其他方案,全桥拓扑原理简单,变压器结构无需中心抽头,工作原理不涉及外部L和C的设计选型,外围BOM往往最少。与此同时,全桥拓扑对变压器设计,包括漏感和寄生的包容度也较高,可节省工程师系统设计和调试的精力。

NSIP3266采用全桥拓扑设计
巧妙设计释放MCU资源
值得一提的是,NSIP3266通过内部集成的晶振电路和RT引脚设计,使得工程师仅需外接电阻即可完成开关频率配置,实现了对MCU控制的解耦,布局更加灵活,同时在MCU故障时依然能够安全供电,促进了更高的系统安全;除此之外,NSIP3266自带的软启动功能也省去了MCU的控制需求,在无需配合MCU域走线的同时,节省了副边限流电阻,大大简化了布板设计,提升了架构灵活度。

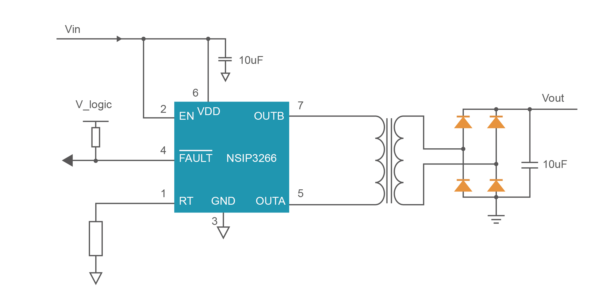
采用NSIP3266进行设计的典型隔离驱动供电电路
支持宽压输入和全面的保护功能
NSIP3266支持6.5V~26V的宽工作电压,系统电路中不需要额外增加TVS保护管,允许工程师更加灵活地选择前级电源。此外NSIP3266提供诸多保护功能,包括欠压保护、过流保护、过温保护等,全面的保护功能使得工程师能够聚焦于系统核心功能的优化与创新,快速高效地进行系统设计并满足可靠性要求。
封装和选型
NSIP3266提供EP-MSOP8封装(3.0 x 3.0mm x 0.65mm,带散热焊盘),工规版本NSIP3266-D和满足AEC-Q100要求的车规版本NSIP3266-Q1将于2025年上半年陆续量产。可联系纳芯微销售团队(sales@ytjs168.com)咨询产品详情或进行样片申请。
丰富的隔离产品满足多元需求
凭借在隔离技术方面的积累和领先优势,纳芯微提供涵盖数字隔离器、隔离采样、隔离接口、隔离电源、隔离驱动等一系列隔离及“隔离+”产品。NSIP3266是纳芯微隔离电源系列的全新成员,纳芯微亦提供其他高性价比与高性能高集成度的产品选择,包括推挽式变压器驱动NSIP605x系列;集成了变压器和多通道数字隔离器的NSIP88/89xx系列和NIRSP31x系列;以及集成了变压器和隔离接口的隔离式RS485收发器NSIP83086,和隔离式CAN收发器NSIP1042。纳芯微全面的“隔离+”产品布局可满足各种类型客户多样化的系统设计需要,为不同客户提供一站式的芯片解决方案。