HJC黄金城(中国区)官方网站黄金城

我们非常重视您的个人隐私,当您访问我们的网站时,请同意使用的所有cookie。有关个人数据处理的更多信息可访问《隐私政策》

产品中心

更多内容

纳芯微推出隔离CAN收发器,提升工业系统的集成度和可靠性

2020/05/20

纳芯微推出隔离CAN收发器,提升工业系统的集成度和可靠性.png


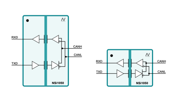
国内领先的信号链芯片及其解决方案提供商黄金城电子股份有限公司(以下简称“纳芯微”)宣布推出隔离CAN收发器NSi1050,继续扩充公司丰富的隔离产品线,满足客户对隔离产品的多样化需求。该芯片集成了双通道数字隔离器和高可靠性CAN收发器,高集成度方案有助于简化系统设计,提升工业系统的可靠性。NSi1050隔离耐压高达5kVrms,满足增强隔离要求,并符合各种工业系统的安规需求,可广泛应用于工业自动化、电梯、电力、不间断电源、储能和其他工业接口卡等各类需要隔离CAN的工业通信系统中。


NSi1050具有高隔离耐压、高共模抗扰、高ESD、高集成度以及高可靠性的特点,其抗共模瞬态干扰度(CMTI)可达80kV/us,传输速率高达1Mbps。与传统CAN接收器加光耦的分立方案相比,NSi1050集成度更高,可帮助设计者节约PCB布板面积。基于创新的“Adaptive OOK”电容隔离技术,NSi1050实现了更低的辐射噪音和更高的抗干扰性能。


NSi1050性能特点:

  • 完全符合ISO11898-2标准

  • 高达5kVrms的隔离耐压

  • 80KV/us抗共模瞬态干扰度

  • 传输速率可达1Mbps

  • 芯片级ESD:HBM ±8kV

  • 逻辑测供电范围:2.5V ~ 5.5V

  • CAN总线供电范围:4.5V ~ 5.5V

  • 总线保护电压:-40V ~ +40V

  • TXD显性超时保护功能

  • 电流与温度保护机制

  • 工作温度范围:-40℃~125℃


NSi1050提供WB SOIC-16、DUB-8两种封装形式,完全兼容ISO11898-2技术标准,可广泛应用于各类需要隔离CAN的通信系统中,例如变频、伺服、PLC等工业自动化场景,电梯的变频器、轿厢板、内外呼板等模块,配网自动化终端xTU、充电桩等电力系统,以及不间断电源、储能和其他工业接口卡应用中。

纳芯微推出隔离CAN收发器,提升工业系统的集成度和可靠性2.png

NSi1050功能框图


纳芯微致力于技术突破与应用创新,后续将推出隔离ADC、隔离电流运放、隔离电压运放等一系列隔离产品,为客户提供更加丰富的产品组合与解决方案,敬请关注。


样品申请与产品咨询:

请发邮件至sales@ytjs168.com 索取更多关于隔离CAN收发器的详细信息。


黄金城