HJC黄金城(中国区)官方网站黄金城

Product

Product

Pressure Sensitive Ceramic Capacitor

Ceramic capacitive pressure sensor features corrosion resistance, impact resistance and high elasticity, which can directly contact with most of the medium. In addition, the high thermal stability of ceramic makes its Operation temperature range can reach -40°C ~ 150°C. There is no liquid transfer in the working process of ceramic capacitive pressure sensor, the process pressure directly acts on the ceramic diaphragm, and the capacitance change between the base electrode and the diaphragm electrode is proportional to the pressure. When overloaded, the diaphragm touches the base without damage; when the pressure returns to normal, its performance will not be affected, which completely eliminates the shortcomings of poor low-range overload capacity, and can be used to upgrade and replace the diffusion silicon pressure sensor.

Product Features

•  Corrosion resistance, impact resistance, high elasticity, and no hysteresis

•  Complying with AEC-Q100 standard

•  Supply voltage: 3V-5.5V

•  Working pressure range: 0.5MPa ~10MPa (which can be customized)

•  Optional range: 1/1.5/2.5/3.5/4.5/6MPa

•  Support reverse-voltage and over-voltage protection at -30V~36V 

•  Accuracy of full temperature range (after calibration): <0.5%

•  Long-term stability: 0.1%FS/Y

•  Overload capacity: >3 times rated pressure

•  Response time: <1ms

•  Integrated EEPROM, programmable

•  0-5V Proportional or absolute voltage output, PWM output

•  Proprietary OWI communication mode

•  Sensor diagnostic features, and programmable clamp voltage

•  Optional ceramic capacitor diameter 20mm/16mm

•  Working temperature of ceramic capacitor: -40°C ~ 150°C

•  Working medium: Air, oil, brake oil, gasoline, diesel, air conditioning refrigerant, etc.

•  Customizable specifications for ceramic capacitors

•  For some ranges, waterproof media compatible version is available


Application

• Automobiles oil pressure sensor

• Automobiles A/C pressure sensor

• Automobiles brake pressure sensor

• Automobiles exhaust pressure sensor

• Automobiles ESP pressure sensor

• Central A/C pressure sensor

• Air compressor, industrial process control, etc.

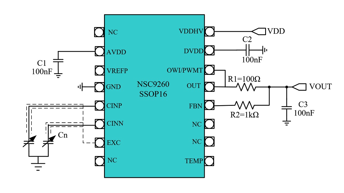
Functional Block Diagram

taoci-1.jpg

For more product information, please contact us.

黄金城