2025/01/06
2024/11/19
2024/11/13
NOVOSENSE has launched the new universal CAN port chip --NCA1042, isolation CAN port chip --NSI1042, which be widely used for control bus design in industry, power, communication and building automation and other fields, such as industrial control, elevator, security, electric bicycles, power electronics and other applications.
High integration and high stability
The NCA1042/NSI1042 chip can operate stably in a wide temperature range of -40° to +125°, with a data transfer rate of up to 5Mbps. It supports CAN FD and is compatible with most MCU I/O levels, providing a common package form in the industry, significantly reducing user costs and bringing better performance experience.

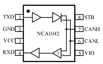
The NCA1042 is a high-speed CAN transceiver that provides an interface between a controller with controller LAN (CAN) protocol and a physical two-wire CAN bus, supporting at least 110 CAN nodes.NCA1042 implements the CAN physical layer defined in ISO 11898-2:2016 and SAE J2284-1 through SAE J2284-5.It can achieve reliable communication in a CAN FD fast phase network with data rates up to 5 Mbit/s, and provide heating protection and transmission data explicit time-out function.
NCA1042 main performances:
► Fully compatible with ISO11898-2 standard
► I/O voltage range supports 3.3V and 5V MCU
► Supply voltage
-VIO: 3V - 5.5V
-VDD: 4.5V - 5.5V
► -70V to +70V bus fault protection
► Transmission data (TXD) led timeout function
► Bus-led timeout function
► Ultra low current standby mode with wake up function
► Over current and over heat protection
► Low loop delay: <250ns
► Operating temperature: -40℃~125℃
► Packaging: SOP8

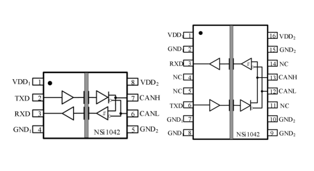
NSI1042 is an isolated CAN transceiver, fully compatible with ISO118982 standard. The NSI1042 integrates a two-channel digital isolator and a high-performance CAN transceiver. Digital isolators are silicon oxide isolators based on NOVOSENSE capacitive isolation technology, with a highly integrated solution that helps simplify system design and improve reliability.NSI1042 products have passed the UL1577 safety certification, and support 5kVrms insulation withstand voltage, while providing high electromagnetic immunity and low radiation. The NSI1042 supports CAN FD with a data rate of up to 5Mbps and can support at least 110 CAN nodes with heating protection and transmission data led timeout functions.
NSI1042 main performances
► Fully compatible with ISO11898-2 standard
► Isolation withstand voltage 5000Vrms
► Supply voltage
-VDD1:2.5V to 5.5V
-VDD2:4.5V to 5.5V
► Over current and over heat protection
► Wide bus protection voltage +40V
► Communication rate up to 5Mbps
► CMTI>150kV/us
► Low loop delay: <220ns
► Enhanced system-level ESD,EFT, surge resistance capabilities
► Operating temperature: -40℃~125℃
► Packaging form
-SOW8 wide body
-SOW16 wide body
Universal CAN port chip --NCA1042 and isolated CAN port chip --NSI1042 are both P2P-compatible with mainstream European and American chips in the market. Users can directly replace them without modifying the design, flexibly meeting user's selection requirements, with higher cost performance and more reliable supply guarantee.