The NSI823x is a high-reliability three-channel digital isolator. This series of products are UL1577-qualified for safety, support a variety of dielectric strengths (3kVrms, 3.75kVrms, 5kVrms, 8kVrms), and feature low power consumption, high electromagnetic immunity and low emission. The data rate of the product is as high as 150Mbps, and the common mode transient immunity (CMTI) is as high as 200kV/μs. It outputs level configuration by default when input is missing and provides digital channel direction configuration. The wide power supply voltage range of this series of devices supports direct connection with most digital interfaces, making it easy for level conversion. Excellent system-level EMC performance improves reliability and stability in operation.
Product Features
• Isolated withstand voltage of 3kVrms, 3.75kVrms, 5kVrms, 8kVrms
• VDE Reinforced Isolation Qualification
• Data rate DC of up to 150Mbps
• High CMTI: ±200kV/μs
• Chip-level ESD: HBM: +8kV
• Enhanced ESD, EFT, surge protection at system level
• Isolated grid life: >60 years
• Low propagation delay typical <15ns
• Low power consumption: 1.5mA/ch (1 Mbps)
• Operation temperature: 40~125℃
• RoHS compliant package: SOW16, SOWW16
Safety Certificate
• UL1577 qualified: 3kVrms/3.75kVrms/5kVrms/8kVrms for 1 min.
• CQC qualified: Conform to GB4943.1 -2011
• CSA qualified: Components conform to 5A
• VDE qualified: DIN V VDE V 0884-11:2017-1
Application
• Industrial automation system
• Isolated SPI, RS232, RS485
• Universal Multi-Channel Isolator
• Motor control
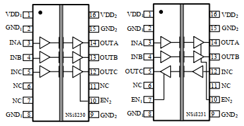
Functional Block Diagram

Related Resources

For more product information, please contact us.