HJC黄金城(中国区)官方网站黄金城

Product

Product

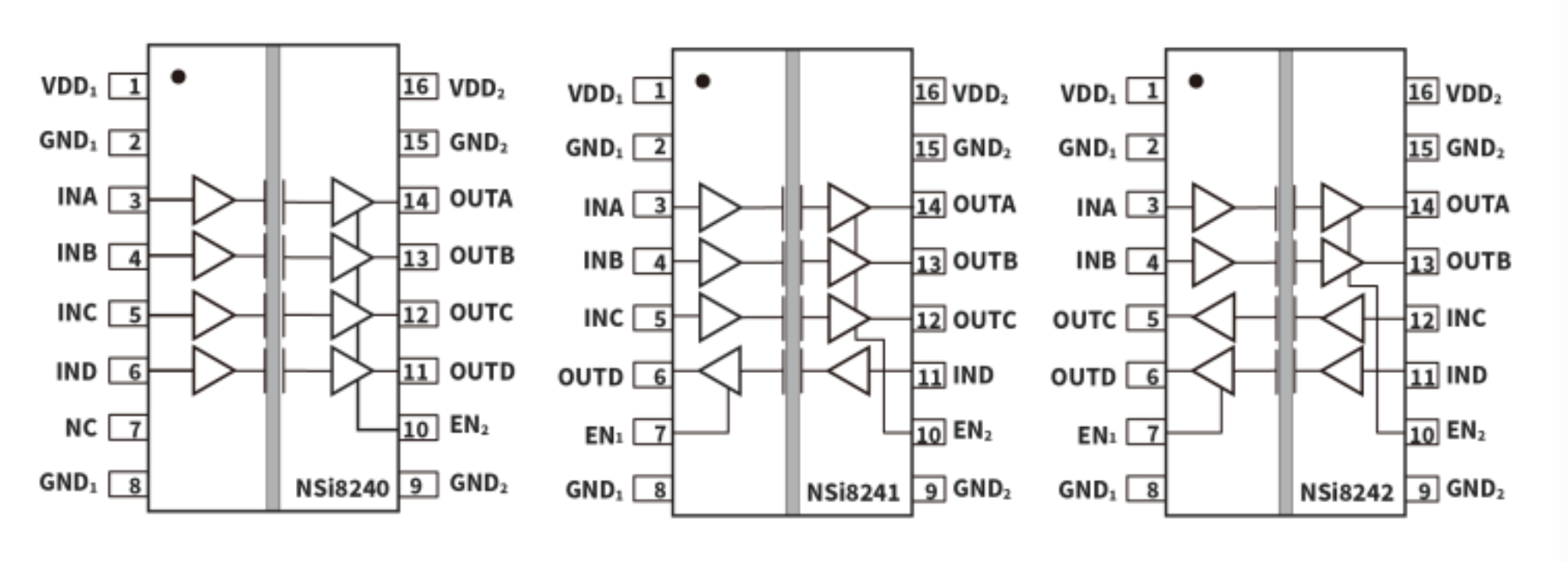
High-reliability four-channel digital isolator

The NSI824x devices are high reliability quad-channel digital isolators. The NSI824x device is safety certified by UL1577 support several insulations withstand voltages (3kVrms, 3.75kVrms, 5kVrms, 8kVrms), while providing high electromagnetic immunity and low emissions at low power consumption. The data rate of the NSI824x is up to 150Mbps, and the common-mode transient immunity (CMTI) is up to 250kV/μs. The NSI824x device provides digital channel direction configuration and the default output level configuration when the input power is lost. Wide supply voltage of the NSI824x device supports to connect with most digital interface directly, easy to do the level shift. High system level EMC performance enhance reliability and stability of use.

Product Features

•  Up to 8kVrms Insulation voltage (SOWW16 Package)

•  Data rate: DC to 150Mbps

•  Power supply voltage: 2.5V to 5.5V

•  High CMTI: 200kV/μs

•  Chip level ESD: HBM: ±8kV

•  Robust Electromagnetic Compatibility (EMC): System-Level ESD, EFT, and Surge Immunity; Low Emissions 

•  Default output high level or low-level option 

•  Low power consumption: 1.5mA/ch (1 Mbps)

•  Low propagation delay: <15ns 

•  Operation temperature: -55℃~125℃

•  RoHS compliant package: SOP16, SSOP16, SOW16, SOWW16




Safety Certificate

•  UL recognition: up to 5000Vrms for 1 minute per UL1577

•  CQC certification per GB4943.1-2011

•  CSA component notice 5A 

•  DIN VDE V 0884-11:2017-01

Application

• Industrial automation system

• Isolated SPI, RS232, RS485

• Universal Multi-Channel Isolator

• Motor control



Functional Block Diagram

image.png

For more product information, please contact us.

黄金城