High-reliability six-channel digital isolator
The NSI826x is a high-reliability six-channel digital isolator. This series of products are UL1577-qualified for safety, support a variety of dielectric strengths (3kVrms, 5kVrms), and feature low power consumption, high electromagnetic immunity and low emission. The data rate of the product is as high as 150Mbps, and the common mode transient immunity (CMTI) is as high as 200kV/μs. It outputs level configuration by default when input is missing and provides digital channel direction configuration. The wide power supply voltage range of this series of devices supports direct connection with most digital interfaces, making it easy for level conversion. Excellent system-level EMC performance improves reliability and stability in operation.
Product Features
• Isolated withstand voltage 5000Vrms
• VDE Reinforced Isolation Qualification
• Data rate DC of up to 150Mbps
• High CMTI: ±200kV/μs
• Chip-level ESD: HBM: +8kV
• Enhanced ESD, EFT, surge protection at system level
• Isolated grid life: >60 years
• Low propagation delay typical <15ns
• Low power consumption: 1.5mA/ch (1 Mbps)
• Operation temperature: 40~125℃
• RoHS compliant package: SSOP16, SOW16
Safety Certificate
• UL recognition: up to 5000Vrms for 1 minute per UL1577
• CQC certification per GB4943.1-2022
• CSA component notice 5A
• DIN EN IEC 60747-17 (VDE 0884-17)
Application
• Industrial automation system
• Isolated SPI, RS232, RS485
• Universal Multi-Channel Isolator
• Motor control
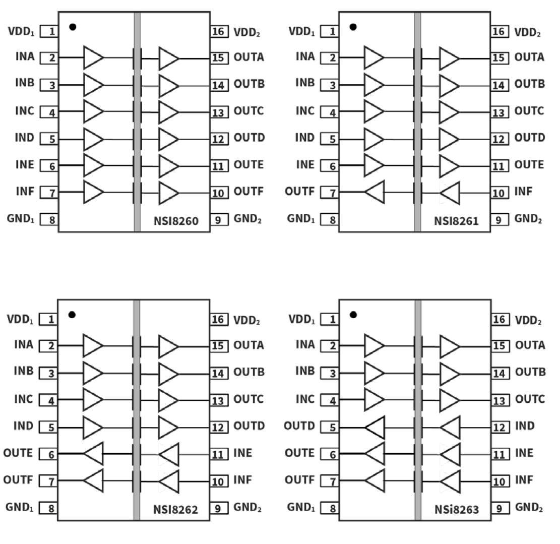
Functional Block Diagram

Design and development

For more product information, please contact us.