HJC黄金城(中国区)官方网站黄金城

Product

Product

NSM301X-Q1: Automotive Hall-Based Angle Sensor

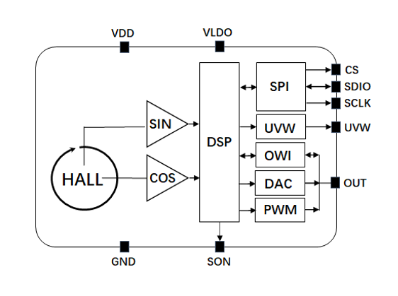
The NSM301x-Q1 is a non-contact rotation angle sensor that supports accurate rotation angle measurement of 360° in ambient temperatures ranging from -40°C to 125°C.This series is based on planar Hall array, which converts the angle position information of bipolar magnet into analog voltage, PWM, SPI and other output forms through internal DSP.

The NSM301x-Q1 provides SPI and OWI interfaces for signal path configuration as well as erasable programming register blocks (MTP). It has an automatic gain (AGC) adjustment module that can adjust the gain of the signal path to accommodate different mechanical constraints and magnetic fields. This approach provides maximum flexibility in system design because it can be integrated directly into existing architectures, providing high accuracy.

The chip supports 3.3V, 5V power supply voltage (different power supply versions)

Product Features

• Operating temperature: -40℃ to 125℃

• Various output interface forms: 14-bit linear DAC analog output or 12-bit resolution PWM output, SPI output UVW output, Z-direction programmable threshold judgment switch output (SON)

• Provide SPI and OWI user-programmable communication interfaces

• Provide angle output with accuracy of ±1°

• Support four-section fitting one by one, with fit accuracy up to ±0.2°

• Built-in automatic gain compensation circuit to compensate the gain loss caused by the temperature characteristics of the magnet and the Z-direction installation position tolerance

• It has abnormal diagnosis function

• Differential Hall detection can resist external stray magnetic field

• NOVOSENSE's new chopper and spin current excitation technology make angular temperature drift very small

• AEC - Q100 Grade1 qualified

Application

• Automotive:

   - Valve angle sensor (throttle, EGR, ball valve, expansion valve, etc.)

   - Accelerator pedal angle sensor

   - Electronic gear shifter

   - Wiper position sensor

   - Body height sensor

Functional Block Diagram

NSM301x-Q1应用框图.png

For more product information, please contact us.

黄金城