RS-485 transceiver with integrated isolated power DC-DC converter
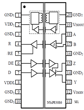
NSIP83086C is a high-reliability full-duplex isolated RS-485 transceiver with integrated isolated DC-DC power supply. Isolated DC-DC power supply can be based on on-chip transformer, the feedback PWM signal is transmitted to the primary side by a digital isolator based on NOVOSENSE capacitance isolation technology. Highly integrated solutions simplify system design and improve reliability. NSIP83086C is UL1577-qualified for safety and supports 5kVrms insulation voltage. The bus pins on the bus side of the NSIP83086C is designed with ±8kV ESD protection to GND2 at system level. This component is designed with a fail-safe circuit that ensures the receiver output is logic high when the receiver input is disconnected or shorted. It features a receiver input impedance of 1/8 unit load, allowing up to 256 transceivers to be connected to the bus.
Product Features
• Insulation voltage up to 5000Vrms
• Integrated isolated DC-DC power supply provided
• 1.8V~5V MCU supported in I/O voltage range
• Power supply voltage:
oVDD: 4.5V to 5.5V
oVDDL: 1.8V to 5.5V
• Over current and over heat protection
• High CMTI:150kV/us
• Data transmission rate: 16Mbps
• Supporting 256 transceivers
• High system-level EMC performance:
o Bus pins conform to IEC61000-4-2±8kV ESD
• Isolated grid life: >60 years
• Operation temperature: -40℃~105℃
• RoHS compliant package: SOW20
Safety Certificate
• UL1577 qualified: 5kVrms for 1 min.
• CQC qualified: Conform to GB4943.1 -2011
• CSA qualified: Components conform to 5A
• VDE qualified: DIN VDE V 0884-11:2017-1
Application
• Industrial automation system
• Isolated RS-485 communication system
• Smart power metering and water meters
• Security and surveillance systems
Other Information

All Resources

For more product information, please contact us.