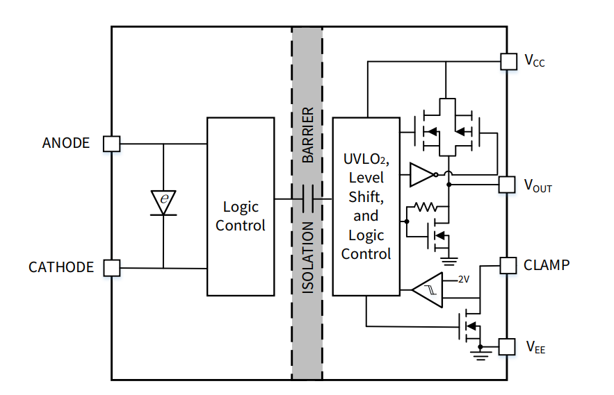
NSI6801M is a single-channel isolation gate driver suitable for driving IGBT, power MOSFET and SiC MOSFET in many applications. It can provide peak source/sink current of 5A/5A, and is integrated with Miller clamp with current of up to 5A. The 150kV/μs minimum common mode transient immunity (CMTI) ensures the robustness of the system. The absolute max rating of the driver side is 35V, and the input side is supplied with a power supply voltage of 3.1V to 17V. All power pins support undervoltage lockout (UVLO) protection. NSI6801M is designed with high drive current, excellent reliability, wide power supply voltage range and fast signal propagation, and is suitable for switching power supply systems which require high reliability, high power density and high efficiency.
Product Features
- Isolated single-channel driver
- Input side supply voltage: 3.1V - 17V
- Driver side supply voltage: Absolute max rating 35V, with UVLO
- Support Miller Clamp function, with current of up to 5A
- Peak 5A/5A source/sink current
- High CMTI: 150kV/μs
- 75ns typical propagation delay
- Operating ambient temperature: -40°C~125°C
- AEC-Q100
Safety Certificate
- UL certification:
SOP8: 3000Vrms for 1 minute
SOW8: 5700Vrms for 1 minute
- VDE certification: DIN VDE V 0884-11:2017-01
- CSA certification: components 5A qualified
- CQC certification: GB4943.1 -2011
Application
- Solar inverter
- Motor driver
- UPS and battery charger
- Isolated DC-DC and AC-DC power supplies
Functional Block Diagram


For more product information, please contact us.