NSOPA905x/NSOPA905xQ: High Voltage General Purpose Operaional Amplifiers
The NSOPA905x/NSOPA905xQ series is a family of high voltage (40 V) general purpose operational amplifiers. These devices offer excellent DC precision and AC performance, including rail-to-rail input/output, low offset(±200 μV, typical), low offset drift (±0.5 μV/°C,typical), low noise (10.5 nV/√Hz and 6 μVPP), and 6 MHz bandwidth.
The NSOPA905x family of op amps is available in standard packages (SOT-23, MSOP, SOP, and TSSOP), and is specified from -40°C to 125°C.
Product Features
• Wide supply: ±1.35 V to ±20 V, 2.7 V to 40 V
• Low offset voltage: 200μV typ
• Low offset voltage drift: ±0.5 μV/°C typ
• Low quiescent current: 550 µA per amplifier
• Unity-gain stable
• AEC-Q100 qualified for automotive applications
• Gain-bandwidth product: 6 MHz
• High slew rate: 12 V/μs typ
• Robust EMIRR performance: EMI/RFI filters on input and supply pins
• Differential and common-mode input voltage range to supply rail Pulse-friendly/comparator inputs 1 Amplifier operates with differential inputs up to supply rail 2 Amplifier can be used in open-loop or as comparator
• Extended temperature range: –40°C to 125°C
Application
Industrial:
• Multiplexed data-acquisition systems
• Test and measurement equipment
• ADC driver amplifiers
• SAR ADC reference buffers
• Programmable logic controllers
• High-side and low-side current sensing
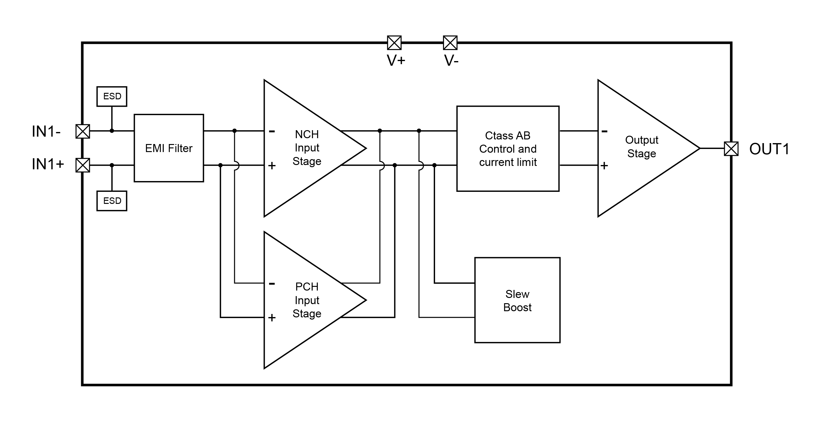
Functional Block Diagram


For more product information, please contact us.