我们非常重视您的个人隐私,当您访问我们的网站时,请同意使用的所有cookie。有关个人数据处理的更多信息可访问《隐私政策》
产品特性
- 高压侧电压范围:+/-700V;
- 高低边独立 UVLO 保护功能;
- +2/-4A 驱动电流能力;
- 内置LDO,使驱动电压更稳定可靠;
- 低于 60ns 传播延时,低于 10ns 高低边延时匹配;
- +5/-5V 逻辑地偏置;
- 150V/ns 的高压侧 dV/dt 抗干扰能力;
- Operation ambient temperature:-40℃ ~125℃
- 封装形式: LGA (4*4mm)
- 驱动电压输出NSD2621A: 6V/ NSD2621B: 5.5V/ NSD2621C: 5V
应用场景
- 半桥、全桥、LLC电源拓扑
- 适配器高密电源
- 太阳能、电机驱动及新能源领域
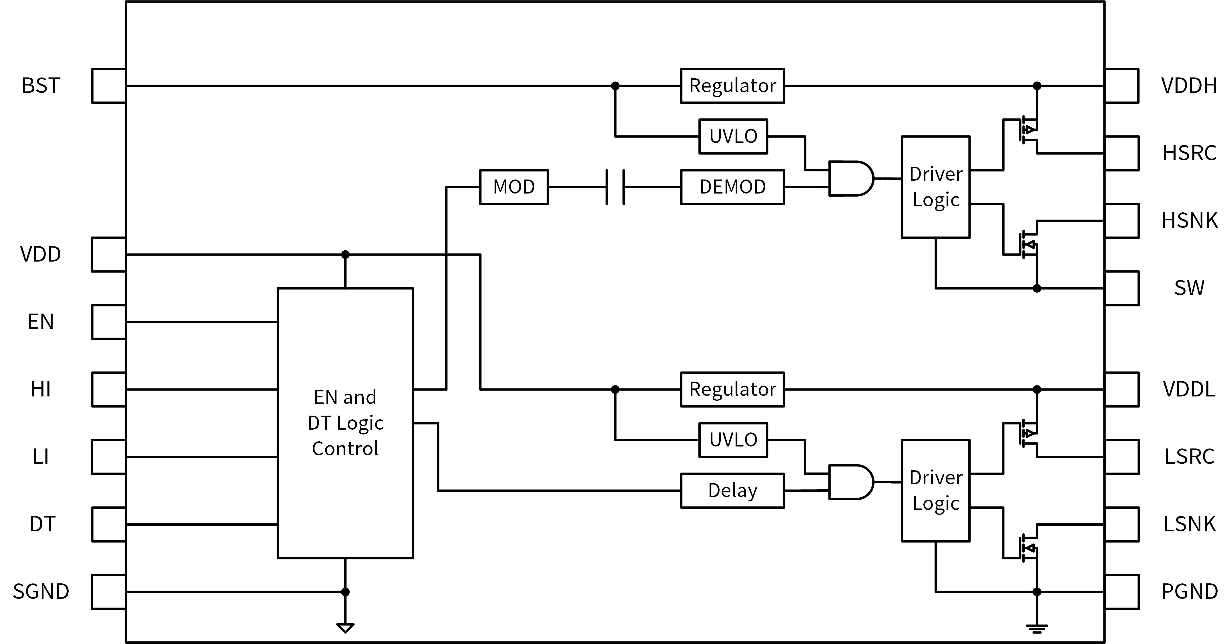
功能框图

设计和开发

如您需要咨询产品更多信息,请点击“黄金城”,我们将尽快回复您!