HJC黄金城(中国区)官方网站黄金城

我们非常重视您的个人隐私,当您访问我们的网站时,请同意使用的所有cookie。有关个人数据处理的更多信息可访问《隐私政策》

产品中心
通用数字隔离器

产品中心

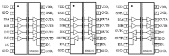
高可靠性四通道数字隔离器

NSi824x是高可靠性的四通道数字隔离器。此系列产品已通过UL1577安全认证,支持多种绝缘耐压(3kVrms, 3.75kVrms, 5kVrms, 8kVrms),同时具有低功耗,高电磁抗扰度和低辐射的特性。产品的数据速率高达150Mbps,共模瞬变抗扰度(CMTI)高达200kV/us。在输入缺失时默认输出电平配置,且提供数字通道方向配置。 此系列器件的宽电源电压范围支持其与大多数数字接口直接连接,易于进行电平转换。优异的系统级别EMC性能提高了使用的可靠性和稳定性。

产品特性

•隔离耐压3000Vrms, 3750Vrms, 5000Vrms, 8000Vrms

•VDE增强型隔离认证

•数据速率DC至150Mbps

•高CMTI:200kV/μs

•芯片级ESD:  HBM: ±8kV

•增强的系统级ESD 、EFT、抗浪涌能力

•隔离栅寿命:>60年

•低传播延迟典型值<15ns

•低功耗: 1.5mA/ch (1 Mbps)

•工作温度:-55~125℃

•符合RoHS的封装:SOP16, SSOP16, SOW16, SOWW16

安全认证

• UL1577认证: 1分钟 3kVrms/3.75kVrms/5kVrms/8kVrms

• CQC认证:符合GB4943.1-2011

• CSA认证:组件符合5A

• VDE认证:DIN V VDE V 0884-11:2017-1

应用场景

•工业自动化系统

•隔离SPI, RS232, RS485

•通用多通道隔离

•电机控制

功能框图

824x-框图.png

相关资源

类别

名称

日期

类别:

应用笔记

名称:

电容隔离器件的隔离失效模式

日期:

2023.12.19

如您需要咨询产品更多信息,请点击“黄金城”,我们将尽快回复您!

黄金城