我们非常重视您的个人隐私,当您访问我们的网站时,请同意使用的所有cookie。有关个人数据处理的更多信息可访问《隐私政策》
产品特性
隔离耐压5000Vrms
VDE增强型隔离认证
数据速率DC至150Mbps
供电电压范围:2.5~5.5V
高CMTI:250kV/μs
芯片级ESD: HBM:+8kV
增强的系统级ESD 、EFT、抗浪涌能力
低传播延迟典型值<15ns
低功耗:1.5mA/ch(1 Mbps)
工作温度:-40~125℃
符合RoHS的封装:SOW16
安全认证
UL1577认证: 1分钟 5kVrms
CQC认证:符合GB4943.1-2011
CSA认证:组件符合5A
VDE认证:DIN V VDE V 0884-11:2017-1
应用场景
工业自动化系统
隔离SPI, RS232, RS485
通用多通道隔离
电机控制
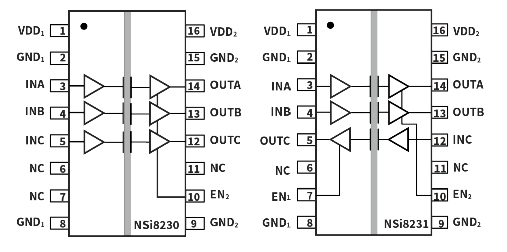
功能框图

设计和开发

如您需要咨询产品更多信息,请点击“黄金城”,我们将尽快回复您!