HJC黄金城(中国区)官方网站黄金城

我们非常重视您的个人隐私,当您访问我们的网站时,请同意使用的所有cookie。有关个人数据处理的更多信息可访问《隐私政策》

产品中心
霍尔角度编码器

产品中心

NSM3012-Q1: 车规级霍尔角度传感器

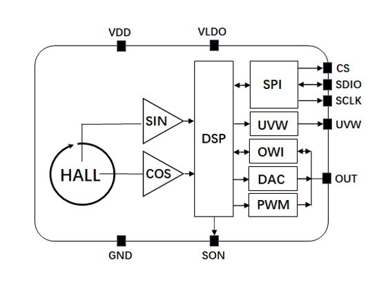
NSM301x-Q1是一种车规级非接触式旋转角度传感器,在-40°C至125°C的环境温度范围内支持360°旋转角度的精确测量。该系列基于平面霍尔阵列,将两极磁铁的角度位置信息通过内部DSP解算,转化成模拟电压,PWM,SPI等各种输出形式。

NSM301x提供SPI和OWI接口用于信号路径配置以及可擦除编程寄存器块(MTP),它具有自动增益(AGC)调整模块,可对信号路径进行增益调节,以适应不同的机械约束和磁场。这种方法在系统设计方面提供了最大的灵活性,因为它可以直接集成到现有的体系结构中,提供较高的准确度。

产品特性

• 3~5.5V 宽的工作电压范围

• 14 位线性 DAC 模拟量输出或者 12 位分辨率 PWM 输出

• 内置自动增益补偿电路补偿磁铁温度特性和 Z 方 向安装位置公差带来的增益损失

• 支持四段分段拟合

• 提供±1°精度的角度输出

• 四段校准后精度可达到±0.2°

• Z 方向可编程阈值判断开关量输出

• 具有异常诊断功能

• 差分霍尔检测可抵御外界杂散磁场

• 提供 SPI 和 OWI 用户可编程通信接口

• 纳芯微创新的斩波以及旋转电流激励技术使得角 度温漂很小

• 工作温度:-40℃ ~ 125℃

• 符合AEC-Q100 Grade 1质量要求

应用场景

• 汽车:

   - 阀门角度传感器(节气门、EGR、球阀、膨胀阀等)

   - 油门踏板角度传感器

   - 电子换挡器

   - 雨刮器位置传感器

   - 车身高度传感器


功能框图

NSM301x-Q1应用框图.png

如您需要咨询产品更多信息,请点击“黄金城”,我们将尽快回复您!

黄金城