<cmum class="hyqgy"></cmum>

HJC黄金城(中国区)官方网站黄金城

我们非常重视您的个人隐私,当您访问我们的网站时,请同意使用的所有cookie。有关个人数据处理的更多信息可访问《隐私政策》

产品中心
红外PIR传感器信号调理芯片

产品中心

数字输出型PIR传感器信号调理芯片

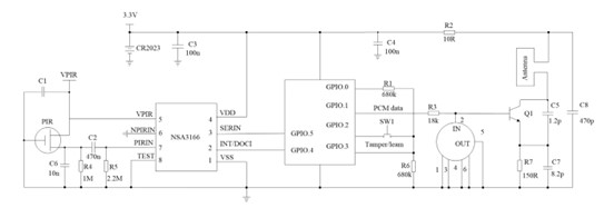
NSA3166是一颗高度集成的用于热释电红外传感器(PIR)的信号处理芯片,应用于智能安防等应用场合。NSA3166单片集成了热释电被动红外移动探测的所有必需组件,模拟前端可以直接与模拟型PIR探测器通过交流耦合连接。内置高精度模数转换器,可将探测器信号转化成数字信号,移动检测单元可以针对移动热源进行算法甄别,提高系统抗干扰性,同时支持开关量输出和数字量输出两种输出方式。传感器灵敏度阈值和报警维持时间可通过数字通信接口写入寄存器的方式动态调节,另外用户还可以对芯片内部的人体识别逻辑判断方式进行一些可配置调整。

产品特性

•  应对PIR外置型信号调理应用场合,DFN8封装

•  灵敏度和响应时间通过数字接口可调

•  支持1.6V~4.5V的供电范围

•  同时支持数字量输出和开关量输出

•  低功耗,静态电流低置6μA

•  内部集成温度传感器,方便客户根据气温调节灵敏度


应用场景

•  智能照明

•  智能安防

•  智能摄像头

•  楼宇自动化和智能门铃


功能框图

3166-2.jpg

如您需要咨询产品更多信息,请点击“黄金城”,我们将尽快回复您!

黄金城