我们非常重视您的个人隐私,当您访问我们的网站时,请同意使用的所有cookie。有关个人数据处理的更多信息可访问《隐私政策》
高可靠性隔离半双工RS-485收发器
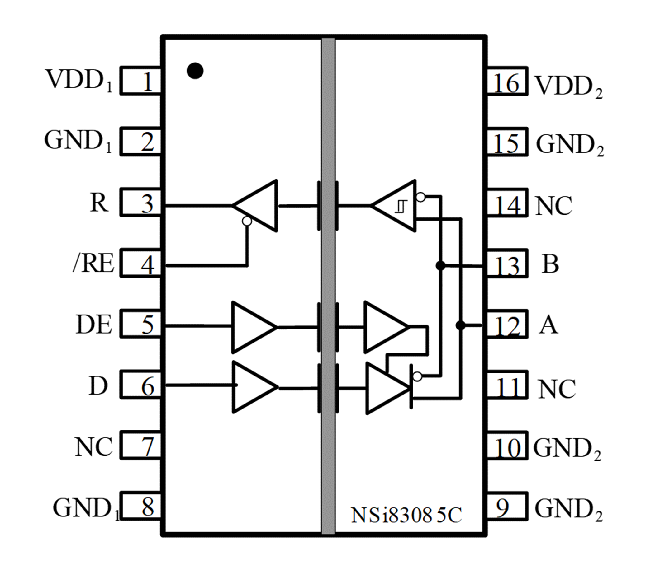
NSI83085C 是一款基于 NOVOSENSE 数字隔离技术的高可靠性隔离半双工 RS-485 收发器。NSI83085C 通过了 UL1577 安全认证,支持 5kVrms 绝缘耐压,同时具有高电磁抗扰性和低辐射、低功耗的特点。NSI83085C 的总线引脚受总线侧 GND2 的 ±10kV 系统级 ESD 保护。该器件具有故障安全电路,可确保在接收器输入开路或短路时输出逻辑高电平的接收器输出。该器件具有 1/8 单位负载的接收器输入阻抗,允许总线上有多达 256 个负载。NSI83085C 的数据速率为 12Mbps。该器件具有压摆限制,可减少 EMI 和端接不当的传输线反射。
产品特性
最高 5000Vrms 绝缘电压
总线侧电源电压:3.0V 至 5.5V
VDD1 电源电压:2.5V 至 5.5V
高 CMTI:±150kV/μs
高系统级 EMC 性能:总线引脚符合 IEC61000-4-2 ±10kV ESD 标准
故障安全保护接收器
总线上最多可连接 256 个收发器
工作温度:-40°C ~ 105°C
符合 RoHS 规范的封装: SOW16
安全认证
UL1577 认证:1分钟 5kVrms
CQC 认证:GB4943.1
CSA 认证:组件符合5A,IEC60950-1 标准
VDE 认证:DIN EN IEC 60747-17 (VDE 0884-17)
应用场景
工业自动化系统
隔离式 RS-485 通信
智能电表和水表
安保监控
功能框图

所有资源

如您需要咨询产品更多信息,请点击“黄金城”,我们将尽快回复您!