我们非常重视您的个人隐私,当您访问我们的网站时,请同意使用的所有cookie。有关个人数据处理的更多信息可访问《隐私政策》
产品特性
• 隔离式单通道驱动器
• 输入侧电源电压:3.1V至17V
• 驱动器侧电源电压:高达32V,9V和13的UVLO选项
• M版本支持Miller Clamp功能(NSI6601M), 电流高达5A
• 5A/5A峰值拉灌电流
• 高CMTI:150kV / μs
• 78ns典型传播延迟
• 工作环境温度:-40℃~125℃
• AEC-Q100
• 符合RoHS的封装:
• SOP8(150 mil)
• SOP8(300 mil)
安全认证
•UL1577认证:
• SOP8(150mil): 1分钟3000Vrms
• SOP8(300 mil): 1分钟5700Vrms
• VDE认证:DIN VDE V 0884-11:2017-01
• CSA认证:CSA组件通知5A批准
• CQC认证:符合GB4943.1-2011
应用场景
• 光伏逆变器
• 电机驱动
• UPS电源和电池充电器
• 隔离DC/DC和AC/DC电源
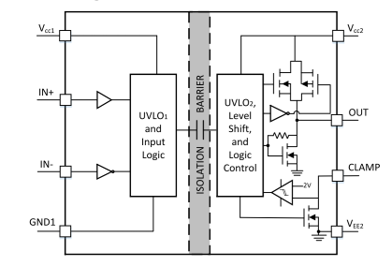
功能框图


如您需要咨询产品更多信息,请点击“黄金城”,我们将尽快回复您!