我们非常重视您的个人隐私,当您访问我们的网站时,请同意使用的所有cookie。有关个人数据处理的更多信息可访问《隐私政策》
黄金城
样片申请
登录 / 注册
CN
传感器
电机驱动
隔离器件
工业/汽车专用芯片
功率路径保护
功率器件
供电电源
LED驱动
通用接口
通用信号链芯片
栅极驱动
微控制器(MCU)
交叉参考搜索
磁性传感器
集成式电流传感器
线性电流传感器
霍尔角度编码器
磁阻角度编码器
速度传感器
线性位置传感器
霍尔开关/锁存器
磁阻开关/锁存器
电流传感器磁调理芯片
压力传感器
MEMS压力传感器
陶瓷电容压力传感器敏感元件
传感器信号调理专用芯片
压力传感器信号调理芯片
MEMS麦克风信号调理芯片
工业压力变送器信号调理芯片
红外PIR传感器信号调理芯片
热电堆传感器信号调理芯片
传感器信号调理专用芯片评估套件
温湿度传感器
温度传感器
直流有刷电机驱动
直流有刷电机集成驱动
直流有刷电机预驱
继电器与螺线管驱动
多通道低边驱动
步进电机驱动
双极性步进电机驱动
数字隔离器
通用数字隔离器
超宽体数字隔离器
集成隔离电源的数字隔离器
隔离接口
隔离RS485收发器
隔离CAN收发器
隔离I²C
隔离电源
集成隔离电源的隔离RS485收发器
集成隔离电源的隔离CAN收发器
变压器驱动器
固态继电器
隔离采样
隔离ADC
隔离电流放大器
隔离电压放大器
隔离误差放大器
隔离比较器
工业专用芯片
工业变送器专用芯片
汽车专用SoC
嵌入式电机驱动SoC
嵌入式电机驱动SoC功能验证评估板
智能高低边开关
智能低边开关
智能高边开关
碳化硅
碳化硅JBS肖特基二极管
碳化硅MOSFET
Si MOSFET
CSP MOSFET
LDO
≥10V低功耗通用LDO
DC-DC开关变换器
Buck降压变换器
车灯驱动
车尾灯驱动
CAN/LIN收发器
CAN收发器
LIN收发器
I²C接口
I²C热插拔
I²C GPIO拓展
I²C切换开关
I²C电平转换
I²C缓冲器
LVDS/MLVDS接口
MLVDS接口
RS485收发器
缓冲器
三态输出缓冲器
电压基准
串联电压基准
数据转换器
模数转换器ADC
放大器
高压通用运算放大器
低压通用运算放大器
功率运算放大器
隔离驱动
隔离半桥驱动
隔离单管驱动
智能隔离驱动
半桥驱动板
非隔离驱动
>600V半桥驱动
>100V半桥驱动
低边驱动
GaN功率芯片与驱动
GaN功率芯片
GaN半桥驱动
实时微控制器
汽车电子
新能源汽车能源和动力总成系统
汽车热管理
车身电子与照明
车载娱乐与仪表
可再生能源与电源
光储充系统
移动储能
充电桩
数字电源
适配器电源
工业自动化
仪器仪表
配电自动化
PLC
步进电机驱动器
工业变频器
伺服驱动器
电池化成分容
消费电子
家电
智能门锁
送餐机器人
样品申请
质量与认证
线上购买
资料下载
技术文章
在线课堂
公司简介
新闻活动
投资者关系
纳芯世界
NSPGS5系列是纳芯微针对表压压力市场,推出的经过校准的传感器系列产品。该系列产品采用高性能信号调理芯片对先进的MEMS压阻芯体进行温度和压力的校准和补偿,保证性能和可靠性的同时对封装进行了集成,采用JEDC标准SOIC-16封装形式,单端口气嘴设置,方便客户焊接和使用。NSPGS5系列集成压力传感器可选量程-10kPa ~ +10kPa,支持模拟输出,适用于与压力敏感元件结构材料相兼容的非腐蚀性气体的压力检测,适合消费、医疗、工业及物联网等领域。
产品特性
• 供电电压3V~5.5V
• 工作温度范围-20℃-85℃
• 可定制量程 -10kPa~+10kPa
• 全温域综合精度优于±1%F.S.
• 输出模式可选(模拟/I2C数字输出)
• 高稳定性,100%校准,温度补偿
• 单垂直气嘴封装,安装牢靠,易密封
• 封装:SOIC-16 (7.5mm x 10.3mm)
应用场景
• 医疗:呼吸机,血压计,制氧机,麻醉仪,生物安全柜
• 工业:压力开关;负压真空检测;气体压力检测
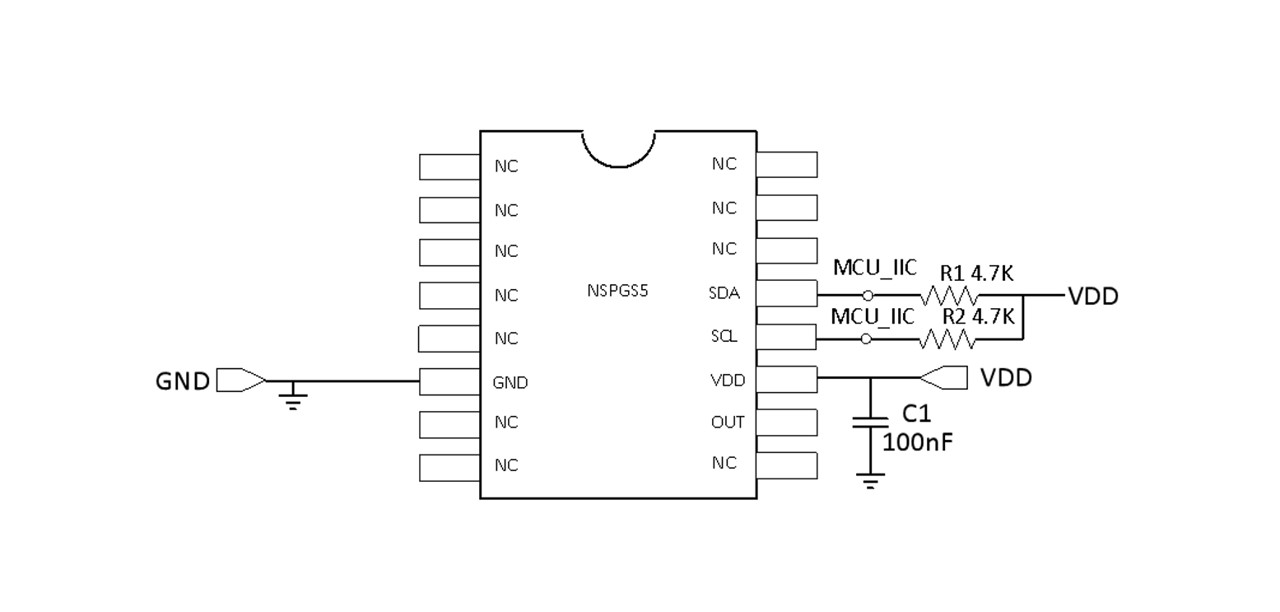
功能框图
NSPGS5系列功能框图(I2C输出)
所有资源
MEMS压力传感器焊接注意事项
应用笔记-Welding of MEMS Pressure Sensor
如您需要咨询产品更多信息,请点击“黄金城”,我们将尽快回复您!