我们非常重视您的个人隐私,当您访问我们的网站时,请同意使用的所有cookie。有关个人数据处理的更多信息可访问《隐私政策》
产品特性
• 宽工作温度范围-40℃~125℃
• 全温域内高精度:
0℃~85℃内优于±1.5%F.S.
-40℃~125℃内优于±2%F.S.
• 支持-24V~28V过反压保护能力
• 支持5V供电及绝对电压输出模式下18V以内直接供电
• 含氟凝胶保护,兼容油气环境
• 优于1ms的快速响应时间
• 支持绝对输出/比例输出,输出曲线可定制
• 压力量程10kPa~400kPa可定制
• AEC-Q100认证
• 封装:SOP-8 (7.0mm x 7.0mm)
应用场景
• 汽车:摩托车进气歧管压力传感器;ECU/VCU大气压力检测;座椅气囊压力检测;碳罐脱附压力检测等
• 工业:燃气/冷媒泄露检测;压力变送器;工业真空度检测等
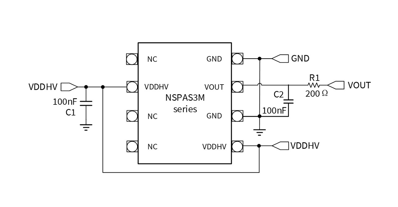
功能框图

NSPAS3M系列功能框图(模拟输出)

如您需要咨询产品更多信息,请点击“黄金城”,我们将尽快回复您!