HJC黄金城(中国区)官方网站黄金城

我们非常重视您的个人隐私,当您访问我们的网站时,请同意使用的所有cookie。有关个人数据处理的更多信息可访问《隐私政策》

产品中心
光耦仿真器

产品中心

高可靠性单通道和双通道光耦仿真器

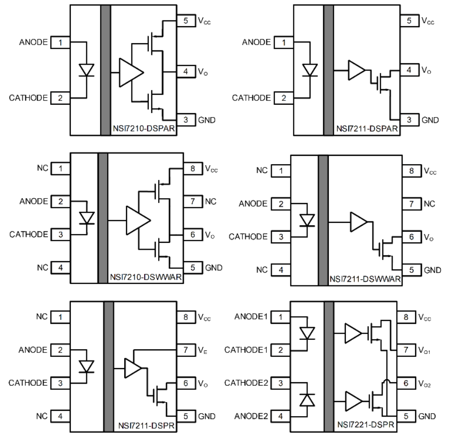
NSI72xx系列是高速单通道和双通道光耦仿真器,通过了 UL1577 认证,支持 3750/7500Vrms 绝缘耐压。NSI72xx 系列可在 3.3V 和 5V 电源电压下工作,提供两种逻辑输出选项: CMOS 输出和开漏输出。NSI72xx 的数据传输速率高达 15Mbps,共模瞬态抗扰度 (CMTI) 高达 100kV/μs。这些器件引脚兼容,可取代许多传统光耦合器,无需重新设计 PCB 即可增强工业标准封装。

产品特性

• 绝缘电压高达 3750Vrms: SOP5, SOP8

• 高达 7500Vrms 绝缘电压: SOP8(600mil)

• 数据传输速率 直流至 15Mbps

• 电源电压:2.7V 至 5.5V

• 高 CMTI:100kV/μs

• 芯片级 ESD:HBM:±8kV

• 单或双二极管模拟器输入

• 输出选项: NSI7210: CMOS; NSI7221/ NSI7211: 开路漏极

• 低传播延迟: <70ns

• 工作温度:-40°C ~125°C

• 符合 RoHS 规范的封装: SOP5、SOP8、SOP8(600mil)

安全认证

• UL 认证:

SOP5: 3750Vrms 1 分钟,符合 UL1577 标准

SOP8:3750Vrms,1 分钟,符合 UL1577 标准

SOP8 (600mil): 根据 UL1577 标准,1 分钟内电压为 7500Vrms

• 通过 GB4943.1 的 CQC 认证

• CSA 组件通知 5A 认证 IEC60950-1 标准

• DIN EN IEC 60747-17 (VDE 0884-17)

应用场景

• 工业自动化系统

• 电机控制

• 电源

• 隔离线路接收器

功能框图

image.png

如您需要咨询产品更多信息,请点击“黄金城”,我们将尽快回复您!

黄金城