我们非常重视您的个人隐私,当您访问我们的网站时,请同意使用的所有cookie。有关个人数据处理的更多信息可访问《隐私政策》
国家“新十条”政策发布,疫情防控进入新阶段,每个人都要做自己健康的第一责任人。从自己做起,加倍关注个人和家庭防护,利用便携式家用医疗设备或智能健康监测设备随时了解自己和家人的健康状况,防患于未然。
例如市面上发布的部分家庭智能健康监测仪概念产品,可以实现医疗级精度的体温、心电、心率、血氧、心肺音、睡眠等健康体征数据监测,用户可以对个人及家庭成员的健康数据进行综合记录和管理,做到对家人健康心中有数。个人和家庭健康已成为关注热点,我们来看看应用于便携式家用医疗设备或智能健康监测设备中都采用了哪些芯片产品解决方案。

图:纳芯微产品解决方案应用于家用呼吸机、家用制氧机、额温枪、耳温枪和可穿戴体温监测设备等
家用呼吸机
2021年,国内家用无创呼吸机市场规模为100万台,随着患者健康管理意识增强,未来10年内有望出现20%~30%的快速增长。另外,呼吸机具有工作时间长、易损耗的使用特性,产品生命周期为5年左右,年更新率在20%左右。
2016年至2020年,全球30~69岁OSA(睡眠呼吸暂停低通气综合征)人数从9.8亿人增长至10.5亿,中国从1.81亿上升至1.95亿。预计到2024年,全球患病人数将增加到11.5亿人,中国将增加到2.12亿人,按10%渗透率计算,市场容量在2000万台左右。
另外,2019年全球COPD(慢性阻塞性肺疾病)患病人数达到4.6亿左右,中国高达1.053亿左右。
家用呼吸机的工作原理是利用气体压力差,呼吸机通气时,机械驱动使气道口气压大于肺泡气压,气体进入肺部;在撤去体外机械驱动压后,胸廓及肺弹性回缩,肺泡气压大于气道口气压,气体从肺部排出。

图:家用呼吸机的工作原理和纳芯微产品解决方案
纳芯微为家用呼吸机提供以下产品:
- NSPDS5/9系列双气嘴差压压力传感器:支持I2C/模拟输出,待机电流<10μA出厂精度可达±0.5% F.S.;压力量程可选±125Pa~±250kPa。应用包括:气流和呼吸控制、滤膜清洁度监测;风扇压力、气流量控制。
- NSPGS5/GD1系列单气嘴表压压力传感器:支持I2C/模拟输出,待机电流<10μA,出厂精度可达±0.5% F.S.;压力量程可选-10kPa~+10kPa。应用包括:气流和呼吸控制、滤膜清洁度监测;风扇压力控制。
- NSPAS3M系列绝压压力传感器:支持模拟输出,芯片封装内部防水防潮处理,出厂精度可达±1.5% F.S.;压力量程可选0kPa~+40kPa。应用包括:大气压力检测,压力补偿等。
- NSPGS2系列单气嘴表压压压力传感器:支持I2C/模拟输出,出厂精度可达±1% F.S.;压力量程可选-100kPa~+350kPa。应用包括:压缩空气和气体压力检测。
- NSHT3x系列小尺寸低功耗I2C接口高精度数字温湿度传感器:支持I2C/SMBus报警输出,精度可达±0.3℃和±3%RH;超低功耗1.7μA@4Hz/0.2μA休眠电流。应用包括:空气和气体混合物的温湿度管理。
- NSM2012、NSM2016系列集成式霍尔效应电流传感器芯片,具有极低的原边导通电阻,可在全温度范围内实现精度高达2%的交流或直流电流测量。产品采用模拟电压输出,无需二次编程,简单易用;高达3000Vrms的耐受隔离耐压能力,满足UL标准的高隔离等级,提高了设计的灵活性;高达400kHz的带宽以及低至1.5μs的响应时间,大大降低了短路等异常情况发生时发烟发火的风险;小巧的SOIC8封装,降低了空间要求并提高了性价比,是医疗设备功率监控的完美解决方案。
家用制氧机
家用制氧机的工作原理是利用分子筛物理吸附和解吸技术,制氧机内装填分子筛,在加压时可将空气中的氮气吸附,剩余的未被吸收的氧气被收集起来,经过净化处理后即成为高纯度氧气。

图:家用制氧机的工作原理和纳芯微产品解决方案
纳芯微的家用制氧机产品是NSPGS2系列压力传感器。它集成了放大、校准、温补功能,带气嘴SOP贴片封装,易于使用;集成24位ADC、12位DAC,支持休眠工作模式,大幅减轻MCU负担;精度高,性能好,-20~70℃全温区综合精度2.5%;MEMS(微机电系统)芯片背面进气,集成内部温度传感器,实现温度补偿;支持二阶温度、三阶非线性校准,灵活度高,压力量程/输出形式可选20~350kPa(±均支持);多种输出形式:0~5V模拟电压输出(绝对)、0~5V模拟电压输出(比例)、I2C数字输出。
额温枪、耳温枪
非接触式额温计、耳温枪的需求“高烧不退”。在巨大商业利益诱惑下,一些新进入这个市场的企业草草研发后就开始生产和销售,令产品良莠不齐,暴露了大量应用问题,测温不准确,更无法达到医用级要求精度。
事实上,不管是哪类测温设备,基于塞贝克效应的红外热电测温方式都是快速、直观、非接触检测的首选,相比其他测温方式更有优势。此类设备中都离不开基础的红外热电探测器,也就是各种额温枪、耳温枪的核心测温器件MEMS热电堆红外探测器。在测温设备应用中,热电堆传感器还要配合信号调理芯片才能发挥作用。
纳芯微推出的NSA3300是一款针对热电堆传感器的信号调理芯片,主要用于连接热电堆传感器,并对传感器的输出电压信号进行放大和采样。常见的数模转换调理芯片往往都是前端传感器输出一个极小的信号,通过ADC转换模块、放大模块将模拟信号转换为数字信号。NSA3300是专为热电堆设计的ADC转换模块,是具有环境温度补偿功能,可直接输出测量温度值的调理芯片,填补了国内市场空白。
NSA3300内部数字引擎可以按照客户配置的LUT数据,自动将热电堆传感器的电压输出计算为温度量输出,方便客户通过I2C接口直接读取温度值。另外,NSA3300也可以配置成数字开关量输出方式,用作温度开关。其内部门限设定值可以让客户自行设置过温或欠温的比较阈值。

图:纳芯微针对热电堆传感器的信号调理芯片NSA3300功能框图
NSA3300的其他特性包括:内部集成免标定环境温度传感器,环境温度可测范围为-40~125℃,精度±0.2℃;支持多种工作模式:连续单通道传感器及环境温度组合输出、连续双通道传感器及环境温度组合输出、连续双通道传感器输出以及睡眠模式;两路差分输入通道支持两个传感器接入,每通道ODR可达到近800Hz;同时支持I2C、PWM、中断输出等多种输出模式,睡眠工作模式典型功耗低至5μA。
可穿戴体温监测设备
体温测量成为了健康监测管理和多维预防的重要手段之一。人们希望通过具有体温测量功能的可穿戴设备随时随地了解自身健康状况,实现自我防护。不过,可穿戴类设备测温应用经常会遇到空间非常有限,需要高精度、超低功耗、响应速度和使用方便等挑战,对测温传感器提出了更高的要求。

图:纳芯微温度传感器产品可应用于可穿戴体温监测设备
纳芯微的接触式体温测量方案NST112x采用高精度数字温度传感器,具有温度响应速度快、测温时间短、低功耗、高精度、自发热小等特点,特别适合手表、手环类以及蓝牙体温贴等产品使用。

图:纳芯微高精度数字温度传感器NST112x功能框图
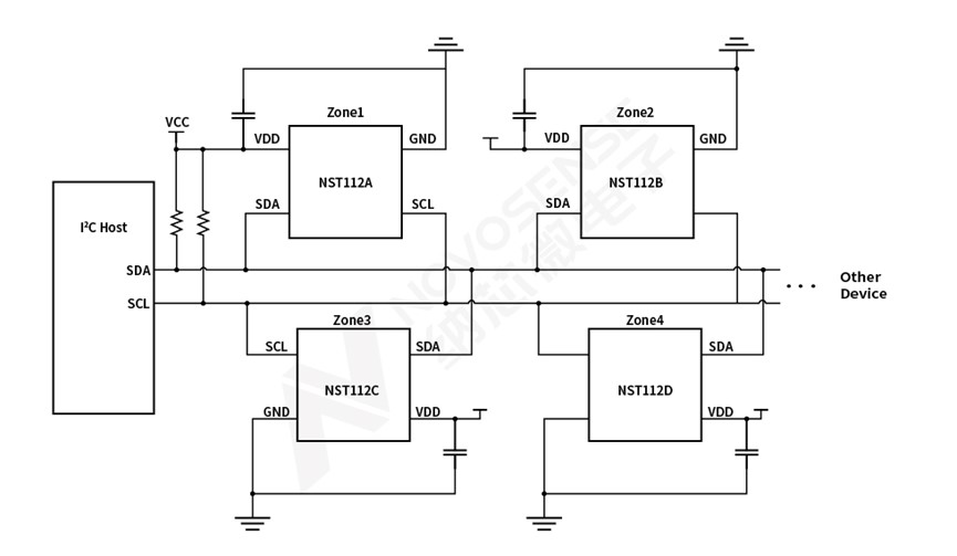
NST112x兼容I2C和SMBus接口,具有可编程警报和SMBus置功能,在单路总线上最多可支持4个器件。在精度方面,无需校准即可在-20℃至125℃范围内实现高达±0.5℃的精度。由于是高线性度温度传感器,NST112x无需重新组合计算或查表就可以导出温度。其14位模数转换可提供高达0.015625℃的分辨率。
以下是NST112x系列的特点:
- 采样速率4Hz,平均功耗典型值仅为5.7μA
- DSBGA-4(0.75mm×0.75mm)封装,实现体温范围内高达±0.2℃的输出精度
- 采用SMT工艺,装配精度容差性强,适用于大规模量产
- 温度达到63%的响应时间为0.1s,配合产品结构设计达到体温(99%)的时间为12.73s
NST112x工作温度范围为-40℃至125℃,适用于通信、计算机、消费类产品、环境、工业和仪表,特别是电池供电的物联网测温应用。未来,体温传感器有可能成为多种便携式设备的标配,为人们的日常生活带来更多的便利。
掌握科学的防疫知识,除了提高自我防护,关注家人健康意识之外,搭载各种传感器和信号调理芯片的智能健康设备可以为人们的健康保驾护航。