我们非常重视您的个人隐私,当您访问我们的网站时,请同意使用的所有cookie。有关个人数据处理的更多信息可访问《隐私政策》
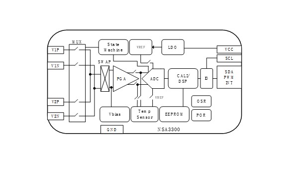
NSA3300是一款针对热电堆传感器的信号调理芯片,其主要起的作用是可以接口热电堆传感器并对传感器的输出电压信号进行放大和采样,其内部的数字引擎可以按照客户配置的LUT的数据,自动将热电堆传感器的电压输出计算为温度量输出,方便让客户通过I2C的接口直接读取温度值。
该芯片内部集成了低噪声仪表放大器PGA、24bit Σ-Δ ADC以及DSP校准算法等。其可测量目标温度范围在-70~380℃,在全温度范围内满足1%的精度误差,并在人体测温35℃~42℃范围内能达到±0.2℃的精度,最高分辨率达到0.01℃/LSB。针对个性化应用,芯片也支持不经DSP处理的ADC裸数据输出。芯片内部还集成了免标定的环境温度传感器,可测范围在-40~125℃,0~40℃范围内可达到±0.2℃的精度。
NSA3300支持两路差分信号输入,有四种工作模式:连续单通道传感器及环境温度组合输出,连续双通道传感器及环境温度组合输出,连续双通道传感器输出及睡眠模式。对于双通道的应用场景,主要处于对于NDIR等应用场景。

如您需要咨询产品更多信息,请点击“黄金城”,我们将尽快回复您!